PRODUCTS

梦寻弥勒圣地,情系宁波纽森斯

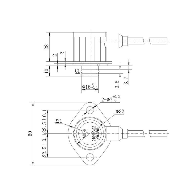
Oil pressure sensor

型号、参数.jpg

OE number

Product namePressure sensor
Compatible models

useOriginal replacement
Type
Sensorcountry of originNingbo,China